Products
- Chemical Centrifugal Pump
- Chemical Process Pump
- Slurry Pump
- Self-priming Pump
- Magnetic Pump
- Chemical Channel Pump
- Fluoro-plastic Centrifugal Pump
- Plastic Centrifugal Pump
- Inline Pump
- Vacuum Pump
- Oil-free Vacuum Pump
- Roots Vacuum Pump
- Liquid Ring Vacuum Pump
- Water-ring Vacuum Pump
- Vacuum Unit Set
- Water Jet Vacuum Pump, Steam Jet Pump, Air Jet Pump
- Environmental Protection Equipment
- Falling Film Absorber
- Storage Tanks
- Vacuum Gauge Tank and Filter Tank
- Extruded Winding Tank
- Heat Exchanger
- Ion Exchange Column
- Microporous Filter
- Waste Gas Treatment Equipment
- Supporting Equipment
- Pipes and Fittings
- Valve
Service Hotline:
+86-571-64139900
E_mail:Info@xajpump.com
Current page: Home > Valve Valve
Q46F Series Fluorine Ball Valve
Q46F Series fluorine ball valve is a split twin-piece structure particularly designed for open/close control of various strong caustic media. The product employs carbon steel as main material, fluoro-plast...Q46F Series fluorine ball valve is a split twin-piece structure particularly designed for open/close control of various strong caustic media. The product employs carbon steel as main material, fluoro-plastic valve and fluoro-plastic ball and filtering parts. It is nice-looking, rigid and durable.
It is the best anticorrosion and equipment widely applied in petroleum, chemical, dyeing, pesticide, acid, alkali and other industries.
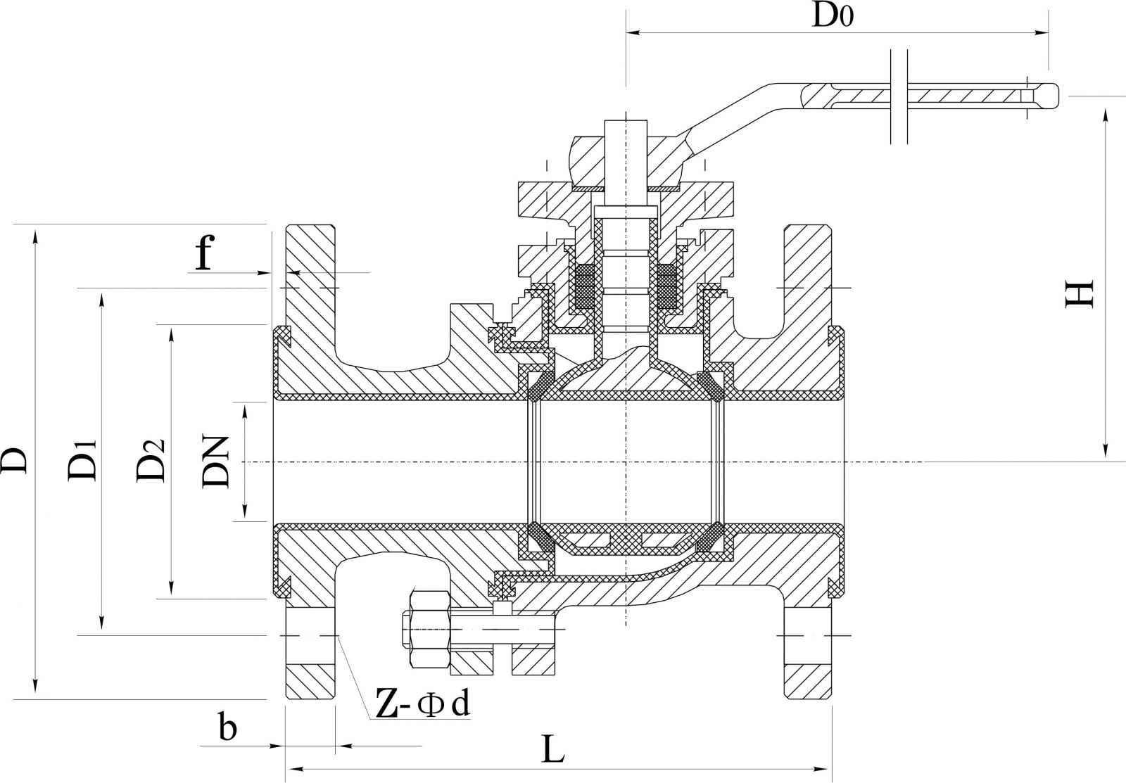
Performance Diagram


|
Model Diameter
|
L
(mm) |
D
(mm) |
D1
(mm) |
D2
(mm) |
f
(mm) |
b
(mm) |
Z-Φd
(mm) |
D0
(mm) |
H
(mm) |
Weight
(kg) |
|
Q46F-10C-15
|
130
|
95
|
65
|
45
|
2
|
14
|
4-Φ14
|
120
|
80
|
2.5
|
|
Q46F-10C-20
|
140
|
105
|
75
|
55
|
2
|
16
|
4-Φ14
|
140
|
90
|
3
|
|
Q46F-10C-25
|
150
|
115
|
85
|
65
|
2
|
16
|
4-Φ14
|
160
|
100
|
4.5
|
|
Q46F-10C-32
|
165
|
140
|
100
|
78
|
2
|
18
|
4-Φ18
|
160
|
110
|
5.7
|
|
Q46F-10C-40
|
180
|
150
|
110
|
85
|
3
|
18
|
4-Φ18
|
200
|
120
|
7
|
|
Q46F-10C-50
|
200
|
165
|
125
|
100
|
3
|
20
|
4-Φ18
|
250
|
135
|
9.5
|
|
Q46F-10C-65
|
220
|
185
|
145
|
120
|
3
|
20
|
4-Φ18
|
300
|
145
|
15
|
|
Q46F-10C-80
|
250
|
200
|
160
|
135
|
3
|
22
|
4-Φ
18/8-Φ 18 |
350
|
185
|
19
|
|
Q46F-10C-100
|
280
|
220
|
180
|
155
|
3
|
22/24
|
8-Φ18
|
400
|
195
|
33
|
|
Q46F-10C-125
|
320
|
250
|
210
|
185
|
3
|
24/26
|
8-Φ18
|
500
|
210
|
58
|
|
Q46F-10C-150
|
360
|
285
|
240
|
210
|
3
|
24/28
|
8-Φ23
|
200
|
450
|
93
|
|
Q46F-10C-200
|
457
|
340
|
295
|
265
|
3
|
26/30
|
8-Φ
23/12 -Φ23 |
240
|
490
|
155
|
|
Q46F-10C-250
|
533
|
395/410
|
350/335
|
320
|
4
|
28/32
|
4-Φ14
|
240
|
550
|
210
|


